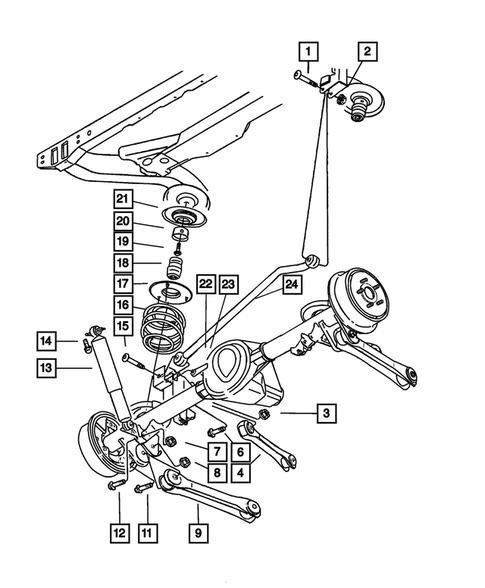
Rear Suspension for 2002 Jeep Wrangler
No.
Part # / Description / Price
Price
N/A
2
Hex Flange Lock Nut, Mounting
Mopar
Mopar Notes: Transmissions: 3-SPD. AUTOMATIC 30RH TRANSMISSION. Transmissions - All Manual.
Description: M12x1.75. Engine Mount To Engine Mount Bracket
MSRP $3.55
$2.48
MSRP $3.55
$2.48
3
Hex Flange Lock Nut, Mounting
Mopar
Mopar Description: M14x1.50. Outer Cover To Inner Cover
MSRP $9.60
$6.78
MSRP $9.60
$6.78
4
MSRP $238.00
$155.40
8
Hex Flange Lock Nut, Mounting
Mopar
Mopar Description: M14x2.00. Shock Clevis to Lower Control Arm
MSRP $13.25
$9.50
MSRP $13.25
$9.50
9
MSRP $168.00
$110.45
11
14
MSRP $9.60
$6.96
18
MSRP $43.90
$30.07
22
2 This part contains hazardous materials. Extra shipping costs apply.
