Trailer Tow and Tow Hooks for 2016 Ram 2500
No.
Part # / Description / Price
Price
3
MSRP $289.00
$185.90
7
MSRP $14.50
$10.53
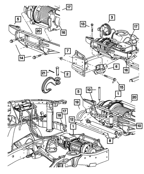
13
Hex Flange Head Bolt, Mounting Right Side
Mopar
Mopar Description: M12x1.75x65. Engine Mount To Front Axle Housing
MSRP $16.05
$11.62
MSRP $16.05
$11.62
15
Hex Flange Head Lock Bolt, Mounting
Mopar
Mopar Description: M12x1.75x110.00. Torque Strut To Supension Crossmember
MSRP $9.10
$5.72
MSRP $9.10
$5.72
21
MSRP $8.10
$5.87
No.
Part # / Description / Price
Price
N/A
Hex Flange Lock Nut
Mopar
Mopar Notes: Engines: 5.7L V8 HEMI CNG ENGINE. 5.7L V8 HEMI VVT Engine. 6.4L HEAVY DUTY V8 HEMI WITH MDS. 6.7L I6 CUMMINS TURBO DIESEL ENGINE. Transmissions: 6-SPD AUTOMATIC 66RFE TRANSMISSION. 6-Spd Automatic 68RFE Transmission. 6-SPEED MANUAL G56 TRANSMISSION.
Description: M16x1.50. Gooseneck To Frame Crossmember
MSRP $7.30
$5.26
MSRP $7.30
$5.26
N/A
MSRP $16.70
$12.10
N/A
MSRP $20.90
$15.00
N/A
Hex Flange Lock Nut, Mounting, Right
Mopar
Mopar Description: M12X1.50. Front Differential Bracket to Isolator
MSRP $18.40
$13.31
MSRP $18.40
$13.31
4
MSRP $42.15
$28.74
7
Trailer Tow Cover Kit
Mopar
Mopar Description: Includes Covers, Trim Rings & Instruction Card
MSRP $95.75
$63.77
MSRP $95.75
$63.77
No.
Part # / Description / Price
Price
1
Hex Flange Lock Nut, Mounting
Mopar
Mopar Notes: Engines: 5.7L V8 HEMI CNG ENGINE. 5.7L V8 HEMI VVT Engine. 6.4L HEAVY DUTY V8 HEMI WITH MDS. 6.7L I6 CUMMINS TURBO DIESEL ENGINE.
Description: M12x1.75. Engine Mount To Engine Mount Bracket
MSRP $3.55
$2.48
MSRP $3.55
$2.48
3
Hex Flange Head Bolt
Mopar
Mopar Description: M12x1.75x40.00. Tow Hook Bracket Attaching
MSRP $58.75
$40.48
MSRP $58.75
$40.48



